Fet Power Amplifier Circuit Diagram
200w mosfet power amplifier Fet amplifier circuit 50w mosfet amplifier circuit ocl using k1058 + j162
With FET amplifier output transformer circuit under Audio Amplifier
Power amplifier circuit using mosfet 6 simple class a amplifier circuits explained Fet amplifier for measuring lc circuits
With fet amplifier output transformer circuit under audio amplifier
Mosfet j162 50w ocl amplifiers eleccircuit amplifie wattsFet power amplifier circuit diagram Amplifier fetAmplifier power circuit diagram watt mosfet pcb schematic quasi high 1943 irfp460 designs electronic draw wiring layout theater 600w circuits.
Amplifier 200w mosfet circuit power diagram pcb layout supply50w mosfet amplifier circuit ocl using k1058 + j162 Mosfet 50w j162 ocl amplifier amplifiers eleccircuit supply wattsConcise fet audio amplifiers.

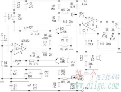
Simple high watt fet amplifier circuit diagram complete wiring schemas
Amplifier circuit fet operational seekic diagram voltage direct gain high loop open ic author published 2009 comparator operated excellent havingFet amplifier circuit Diy 100 watt mosfet amplifier circuit with pcb homemade circuit[diagram] 1000 watts amplifier circuit diagrams.
Amplifier fet circuit basic diagram circuits simple schematic gr next full repository transistor gate simplecircuitdiagramDraw your wiring : 5200 1943 mosfet amplifier diagram by 60volt Fet power amplifier circuit diagramCircuit amplifier high power voltage diagram input fet seekic audio circuits ic.

Fet amplifier. electronics storage, electronics gadgets, electronics
How to build a 100 watt mosfet amplifier circuitFet amplifier concise amplifiers audio circuit electronics another Fet amplifier archivesCommon source jfet amplifier, common source jfet.
Jfet circuit diagramCommon source fet amplifier Basic fet amplifier – simple circuit diagramPopular mosfet audio amplifier circuits-circuit diagrams.
Amplifier fet circuit figure lc power
[diagram] dc12v audio 1000w amplifier circuit diagramsAmplifier mosfet circuit power build high diagram watt aa symmetrical simple Fet preamplifier impedance circuits eleccircuit schematics bias r14 preamplifier circuits using transistors.
Fet_operational_amplifierJfet circuit diagram 12v mosfet audio amplifier circuit diagramAmplifier circuit mosfet class power circuits single audio simple homemade electronic diy projects diagram post amp discusses small cheap scale.
![[DIAGRAM] Dc12v Audio 1000w Amplifier Circuit Diagrams - MYDIAGRAM.ONLINE](https://i2.wp.com/amplifiercircuit.net/wp-content/uploads/2012/06/100W-FET-audio-amplifier.jpg)
Amplifier mosfet 100w diagram power fet circuit j162 audio j49 based 56v output
The high voltage input fet power amplifier circuit diagramAmplifier jfet common source gain input circuit fet voltage signal small transistor amp given schematic formula type bjt emitter electronics Amplifier mosfet circuit simple class amp ab circuits schematic diagram audio watt irf540 transistors irf irf9540 wattsFet audio preamp circuit diagrams.
Common source fet amplifier circuit diagramGeneralized fet amplifier circuit 50 watts audio amplifier circuit diagram.






